pn.-pt. 8-20

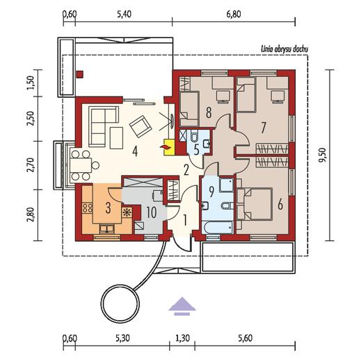
Margo (30 stopni) wersja lustrzana




W nawiasach podano powierzchnie pomieszczenia netto

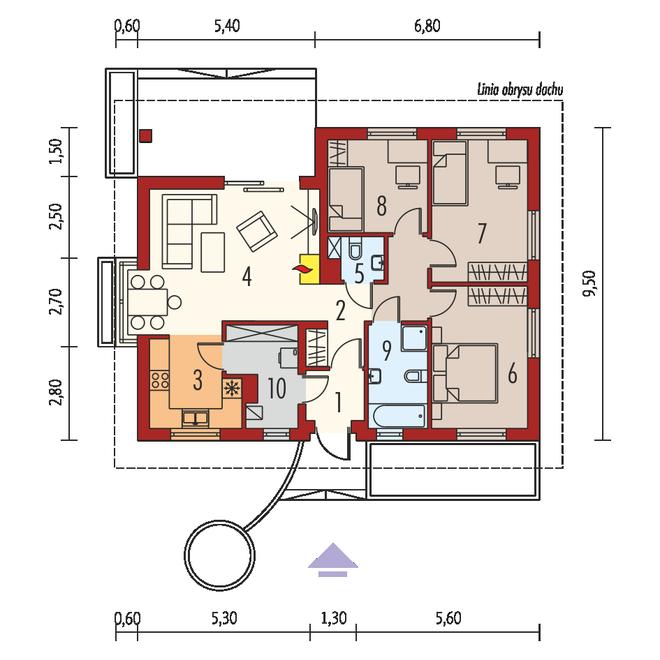
Margo (30 stopni)
wersja lustrzanaKoncepcja projektu
Nasi doradcy przedstawią szczegółowe informacje dotyczące projektu.
Projekt wycofany z oferty
Dodatki
Atrakcyjne rabaty
Kompleksowe wsparcie
Gwarancja najniższej ceny
Wygodne zakupy
Zgoda na zmiany w projekcie
Szczegółowa dokumentacja
Rzuty, przekrój, elewacje

W nawiasach podano powierzchnie pomieszczenia netto

Działka
Wybór działki to jedna z ważniejszych decyzji poprzedzających budowę wymarzonego domu. Oczywiście najważniejsza jest jej lokalizacja, ale trzeba także przeanalizować lokalne ograniczenia wyszczególnione w miejscowym planie zagospodarowania przestrzennego lub w warunkach zabudowy. Często zapisy w w/w dokumentach uniemożliwiają budowę wybranego projektu i trzeba szukać dalej.
Ważne jest także usytuowanie działki i domu względem stron świata, gdyż to właśnie decyduje o stopniu nasłonecznienia poszczególnych pomieszczeń. Dlatego każdy projekt oferujemy w dwóch wersjach: podstawowej oraz lustrzanej, aby można było wybrać najkorzystniejszy układ pomieszczeń względem stron świata, a także względem ukształtowania krajobrazu w otoczeniu działki.

Parametry
Opis projektu
Uwaga! Przedstawione wizualizacje prezentują wersję domu z dachem o kącie nachylenia 25°
Charakterystyka: Dom parterowy,
niepodpiwniczony
Przeznaczenie: Dom dla 3-4-osobowej
rodziny
Technologia i
konstrukcja:
Ściany zewnętrzne: murowane,
dwuwarstwowe, beton komórkowy 24
cm, ocieplenie 12 cm
Ściany wewnętrzne: nośne i działowe murowane, cegła wapienno-piaskowa 24 cm i 12 cm
Strop: gęstożebrowy Teriva, ocieplenie
wełna mineralna 25 cm
Dach: konstrukcja drewniana,
dachówka ceramiczna Röben, więźba dachowa
dostępna również w systemie prefabrykacji drewnianej
Rozwiązania instalacyjne:
Ogrzewanie: kocioł gazowy
kondensacyjny, rozprowadzenie ciepła: grzejniki
Wentylacja: grawitacyjna
Wykończenie:
Elewacje: tynk cienkowarstwowy
mineralny, okładzina drewniana i kamienna
Stolarka: drewniana, PVC lub
aluminiowa, drzwi wejściowe firmy Hörmann
Otoczenie: płyty tarasowe firmy
Libet, system tarasowy ProDeck - deska kompozytowa Terra w kolorze orzech
Wersje
domów w serii Margo - zapytaj o dostępność:
- Margo
– wersja podstawowa, dom parterowy, 3 sypialnie, dach o kącie nachylenia 25°,
różne wersje garaży: bez garażu, z garażem jedno- lub dwustanowiskowym
- Margo Mocca – inna propozycja wykończenia materiałowo-kolorystycznego
elewacji, różne wersje garaży
- Margo MULTI-COMFORT – dom z rozwiązaniami
materiałowo-kolorystycznymi Grupy Saint-Gobain, różne wersje garaży
- Margo (30°) – wersje z dachem o kącie nachylenia 30° i dodatkową
przestrzenią strychową na poddaszu, różne wersje garaży
- każda wersja z inną propozycją wykończenia elewacji
- odbicie lustrzane do wszystkich wersji
Wszystkie wersje domów mozliwe w dwóch standardach/wariantach
instalacyjnych:
- STANDARD: piec gazowy kondensacyjny, grzejniki, wentylacja
grawitacyjna
- ENERGO PLUS: pompa ciepła, ogrzewanie podłogowe, wentylacja
mechaniczna, dodatkowo panele fotowoltaiczne
Istnieje techniczna możliwość:
- podpiwniczenia budynku
- wykonania budynku w technologii szkieletowej
Koszty
wytyczenie budynku i roboty ziemne; ławy i stopy fundamentowe; ściany podziemne z izolacjami cieplnymi i przeciwwilgociowymi
ściany murowane zewnętrzne i wewnętrzne; stropy i schody wewnętrzne; konstrukcja dachu z pokryciem, obróbkami, rynnami i rurami spustowymi; podłoża pod posadzki ( np. chudy beton)
Stan zero (wytyczenie budynku i roboty ziemne; ławy i stopy fundamentowe; ściany podziemne z izolacjami cieplnymi i przeciwwilgociowymi) oraz stan surowy (ściany murowane z zewnętrzne i wewnętrzne; stropy i schody wewnętrzne, konstrukcja dachu z pokryciem, obróbkami, rynnami i rurami spustowymi; podłoża pod posadzki (np. chudy beton), okna i drzwi zewnętrzne; bramy garażowe; warstwy wyrównawcze pod posadzki na gruncie i na stropie z izolacjami cieplnymi i przeciwwilgociowymi).
*
wewnętrzna instalacja oświetleniowa; instalacja gniazd wtykowych; instalacja siły oraz instalacja odgromowa i inne wewnętrzne instalacje teletechniczne
**
wewnętrzna instalacja wod. - kan. z przyborami sanitarnymi i bateriami; instalacja c.o. z kotłem i grzejnikami, bez kominka; instalacja gazowa bez osprzętu kuchennego; wentylacja mechaniczna ( jeśli występuje)
***
system dociepleń i tynki zewnętrzne z malowaniem; okładziny elewacyjne; balustrady, parapety zewnętrzne i inne roboty zewnętrzne np. taras, opaski wokół domu, schody zewnętrzne
***
tynki wewnętrzne, drzwi i okna wewnętrzne, lekkie ścianki działowe, roboty malarskie, posadzki i inne prace wykończeniowe
* w zależności od ilości punktów elektrycznych na 1m2
** w zależności od ilości punktów sanitarnych na 1m2 oraz ilości (odległości) instalacji rurowej
*** w zależności od rodzaju użytych meteriałów i specyfikacji wykończenia
Zmiany w projekcie
Jeśli zmiany, które chcesz wprowadzić nie są ujęte w powyższym zestawieniu, skontaktuj się z nami. Nasz architekt przeanalizuje i doradzi, które z Twoich propozycji warto wdrożyć. O zgodę na zmiany możesz wystąpić nie tylko w momencie zakupu projektu, ale także później i otrzymasz ją bezpłatnie w ciągu kilku dni.
Dokumentacja (zawartość pakietu projektowego)
3 egzemplarze projektu architektoniczno-budowlanego ze szczegółowym opisem
Dowiedz sie wiecej tralalala lalatral2 egzemplarze projektu technicznego (architektura, konstrukcja, instalacje: wodno-kanalizacyjna, c.o., elektryczna, gazowa (jeśli występują)) ze szczegółowym opisem
Charakterystyka energetyczna w dwóch egzemplarzach (jeśli dotyczy)
Materiały pomocnicze (zestawienie więźby dachowej, wykaz materiałów instalacyjnych, obliczenia statyczne)
Oświadczenie projektantów – wymagane prawem potwierdzenie, że projekt został sporządzony zgodnie z obowiązującymi przepisami oraz zasadami wiedzy technicznej
Obowiązki architekta adaptującego – wykaz i zakres prac niezbędny do przystosowania domu do warunków lokalnych panujących na działce i stworzenia projektu budowlanego
Informacje o alternatywnych rozwiązaniach technicznych i instalacyjnych – wyjaśnienie konieczności zastosowania w projekcie jednoznacznych rozwiązań projektowych
Dodatki
Pakiet dodatków, który otrzymasz razem z projektem




Masz 30 dni na zwrot i 365 dni na wymianę projektu
Dodatki w dobrej cenie
Dodatki możesz dobrać także w koszyku lub podczas zakupów u naszego doradcy.